
Naja ich erwarte mir keine Lichtvorteile von H4 auf HS1 oder täusche ich mich da?
Ein kleiner Test in der fast dunklen Garage nachts um 22 Uhr: Der Unterschied zwischen Bilux- und HS1 Lichtausbeute ist deutlich zu erkennen. Trotz nominell gleicher Wattzahl ist das Halogenlicht nicht nur stärker sondern auch weißlicher.
Steht auf der Seite. Von meinem Sachs auf Peugeot waren das Welten
"Dumm ist nur der, der zweimal über den gleichen Stein stolpert"

Moin,
wieso hast du bei deiner Giggle 50 4-Takt (Typ:SA35 ?) eine H4 im Scheinwerfer ? Laut Ausrüster hat die doch wie Kymco Yamaha etc auch schon die hellere HS1 / PX43T . Da ist die Streuscheibe auch anders für gebaut. Mal angenommen du fährst mit Scheinwerferglas(Plastik) für HS1 eine olle H4 dann wunder mich die Ausleutung der Straße nicht.
"Dumm ist nur der, der zweimal über den gleichen Stein stolpert"
http://www.louis.de/.....r=10033107
die leuchten ziemlich gut aus, hab ich letztens als Ersatz bei eine Kawa eingebaut
imho ist beim Giggle ab Werk ein Biluxeinsatz drin, steht zumindest so in der Lampenliste von Hella
Hm im Werkstatthandbuch steht nicht mehr als 35W 12V Halogenlampe... Sehr schwammige Aussage.
edit:
Ohje, ich weiß nicht wie ich darauf kam, dass der Giggle eine H4 hätte.
Sockel: BA20d
Betriebsmittel: 35W S2 Bilux.
Somit sollte ein H4-Scheinwerfer doch deutliches Plus an Licht bringen.
Rechenspiele:
Ladenennleistung: 130W
Dauerhafte Verbraucher:
Lampen: 44W
Handyladegerät: ~12W
Sporadische Verbraucher:
Zündung (250W)
Hupe (250W)
Blinker (10W)
Bremsleuchte (21W)
Gesamt: 130W - 44W - 12W - sporadische Verbraucher = 74W - sporadische Verbraucher
Sollten eigentlich noch genug Reserven übrig sein für die 15W mehr von der H4 oder habe ich etwas übersehen?
"Wer Freiheit aufgibt um Sicherheit zu gewinnen, wird beides verlieren!" | © Benjamin Franklin
sind die 130W wirklich die LADEleistung oder die GESAMTleistung der Anlage ?
Weil normalerweise sollte der Giggle ja auch eine übliche Lade-Lichtanlage haben. Sprich du hast drei Spulenpakete (Ladespule, Lichtspule, Zünderregerspule) die nichts miteinander zu tun haben. Sprich, für deine Lichtbastelei ist entscheidend wieviel LICHTleistung du hast.
Oder hast du beim Giggle alles über die Bakterie laufen?
über den Laderegler läuft das bei (fast) jedem Roller, einfach weil der Regler heute (fast) immer mit dem Spannungsbegrenzer (Schutz für die Leuchtmittel) ein Gehäuse teilt ...
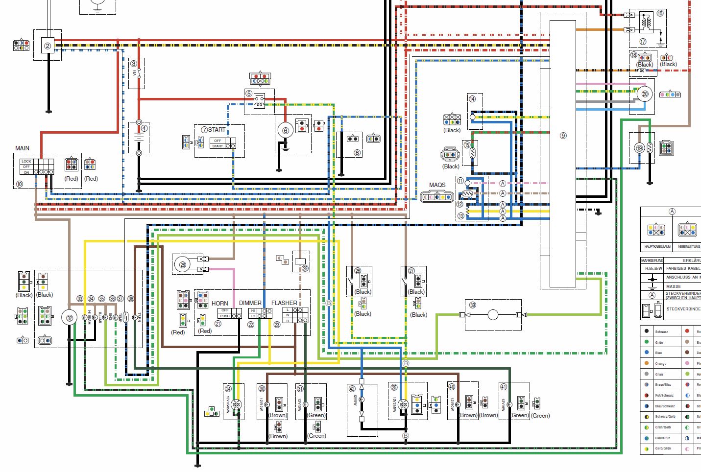
auf deinem Plan fehlt leider der Teil, der zeigt wie die Grundplatte verdrahtet ist (normalerweise gibts dafür auch ein extra Schaltbild), das kann man aber auch direkt am Objekt sehen:
Zündlicht wie klassisch üblich (und von mir beschrieben) braucht (mindestens) vier Leitungen (Licht, Zünd, Lade, Hall), die moderne Version (alles über Bakterie) kommt mit zwei Kabeln aus (Strom, Hall), bei vier oder mehr Kabeln aus der ZGP würde ich daher von der klassischen Version ausgehen
Und er fährt und fährt und....
Ja langsam fängts jetzt an. Die Berichteschreiberei ist so gut wie fertig, jetzt kann ich mich auf andere Dinge konzentrieren, z.B. Rollerreparatur. Obwohl ich da noch die Versicherungsstatements abwarte....
"Wer Freiheit aufgibt um Sicherheit zu gewinnen, wird beides verlieren!" | © Benjamin Franklin
Ist ja im Grunde genau die gleiche Geschichte wie bei meinem Klingonenkreuzer, der hat ja auch schon mehrere Totalschäden überlebt.
Das derzeit alle drei "legendären" Roller (dein Giggle, automatix F12 und mein Klingonenkreuzer) mausetot in der Garage sitzen ist halt schon ärgerlich. Das schreit doch eigentlich nach einer gemeinsamen "jetzt erst recht" Fahrt wenn die Karren wieder beisammen sind
Glaube auch, wobei mich meiner jeden Tag noch auf die Arbeit trägt
.
Hier der ganze Schaltplan:
http://www.slooowrid.....ltplan.jpg
"Wer Freiheit aufgibt um Sicherheit zu gewinnen, wird beides verlieren!" | © Benjamin Franklin
So zum Thema Licht habe ich denke ich jetzt einen Plan:
Ich werde einen normalen H4 Scheinwerfer nehmen, was mir viele Möglichkeiten eröffnet und ein besseres Abblendlicht gewährleisten soll. Allerdings belastet die H4 meine elektrische Anlage mit 20W Mehrverbrauch. Vielleicht baue ich aber auch eine 45W H4 ein.
Das Fernlicht des H4-Scheinwerfers wird abgeklemmt und für gutes Licht kommen die Hella Xenon mirco dran, welche richtig hell machen sollten. Diese verbrauchen zusammen 50W.
Das ist eine teure Lösung, aber mir gefällt sie. Ich muss jetzt noch die Legalität genau recherchieren und meinen Geldbeutel checken, aber wenigstens gibts jetzt einen Plan
.
"Wer Freiheit aufgibt um Sicherheit zu gewinnen, wird beides verlieren!" | © Benjamin Franklin
slooowrider
2 Guest(s)

